Series 16 系列微動開關以雙斷蝴蝶片結構為主要特色,這個系列的小型微動開關結構賦予產品高(或低)電流的選項,電流最高可承載到10Amps,另外這系列的開關還擁有SPDT的電路系統來控制兩個迴路。常見的應用:自動化設備、汽車產業、接觸器、啟動器、控制閥、工業設備、機械設備、起重機器、醫療設備
產品特性
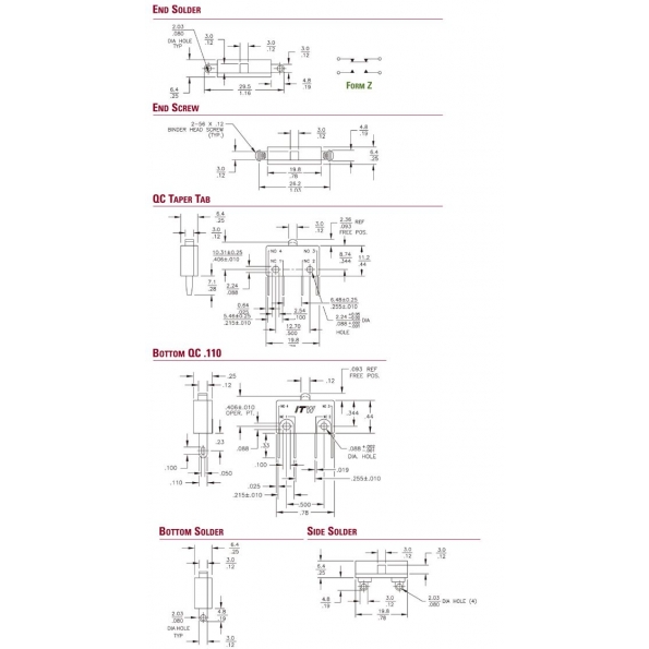
- 雙斷蝴蝶片式結構
- 多樣化的端子結構與形式
- 鍍金/銀製標準接點
- 另有多樣的連動桿樣式
產品應用
- 起重機座椅控制開關
- 飛航設備
- 浮球開關
- 閥門操作裝置
- 工業設備和機械
- 辦公室設備
235042新北市中和區建八路205號10樓
TEL: 02-82286367
Fax: 02-82286629
E-mail:Light@seeway.com.tw
SW@seeway.com.tw